BPC-026 Egress Components for Manufactured Homes
             
        
Version: 01/07/2020
Purpose
This page provide the requirements for egress components for manufactured homes.
Background
The construction of manufactured homes falls under the jurisdiction of the Department of Housing and Community Development Division of Codes and Standards (DHCDDCS). When a building permit application is submitted to set up a manufactured home, the Permit Sonoma reviews only the foundation and egress components of the manufactured home. All manufactured homes are required to have code complying exits. Decks that are part of the egress component cannot be attached to the manufactured home without prior approval from the DHCDDCS. The following are examples of common egress component requirements in conjunction with manufactured homes:
- Decks detached from the home shall have a maximum 2 inch gap separating the deck from the home. See the attached Deck Cross Section Detail.
- A ledger may be attached to the cripple wall support system of the building which is under the jurisdiction of Permit Sonoma . See the attached Ledger Connection Detail.
- All framing members that are exposed to weather shall be pressure treated Douglas fir #2 or better. All metal connectors used with pressure treated lumber shall be hot dipped galvanized, stainless steel, or Simpson ZMAX. 
        
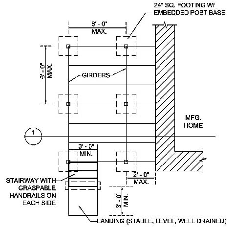
Deck Foundation Plan

Deck Detail

Ledger Connection Detail

*Required when walking surface is 30 feet or more from finished grade at any point measured 5 feet horizontally form projected vertical plane of the walking surface.
 
                                 Translate
Translate